E816 Expander
The E816 Expander module is designed to increase the I/O (input/output) capacity of MoTeC products.
With CAN connectivity and a number of configurable inputs and outputs, it provides customers with greater flexibility to add sensors, customise channels and control more auxiliary functions.
The E888 and E816 expander inputs have medium resolution and update rate, where higher update rates or resolution are required consider using the VIM input expander.
Compatible with:
- C185 color logger.
- C125 color logger.
- SDL3 - only 8 thermocouples on E888.
- ADL3 / EDL3 - up to two E888 or E816.
- ACL - up to two E888 or E816.
- M400, M600, M800, M880 - one E888 or E816.
Depending on the application, some limitations may apply when using an expander with these ECUs. Please check with your dealer for details.
Inputs:
- Update rate for all inputs 200 Hz, for a second expander 50 Hz.
- 2 x switch inputs.
- 4 x digital inputs with frequency measurement and switched capability.
- 2 x general purpose temperature inputs, calibrated as Bosch water temperature sensors.
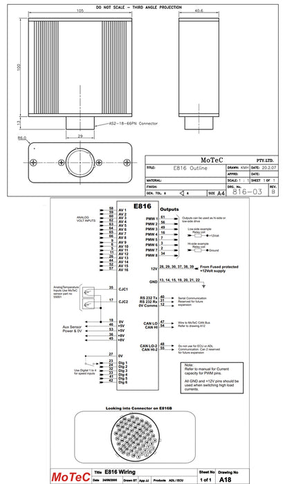
- 16 x analogue voltage inputs, 10 bit (4.9 mV) resolution 0 to 5 V, suitable for potentiometers, voltage output sensors and variable resistance (temperature) sensors.
Outputs:.
- 8 x PWM outputs individually controllable for frequency and duty cycle.
- 4 x adjustable duty cycle 0 to 100% in 255 steps and frequency range from 8 Hz to 5 kHz.
- 4 x adjustable duty cycle 0 to 100% in 20 steps and frequency range from 1 Hz to 100 Hz.
Communications:
- CAN bus used for communicating to the data acquisition, display or ECU and to the PC during calibration and firmware upgrades.
Configuration:
- Configured as part of the configuration for the connected ECU or data logger.
Physical:
- Case size 99 x 105 x 40 mm.
- Weight: 320 gram.
Connectors:
- E816 66 pin Autosport connector.